Specifications
Surface Treatments
Certifications
- ISO 9001 - 2015 Certified
- PED 2014/68/EC
- NACE MR0175/ISO 15156-2
- NORSOK M-650
- DFAR
- MERKBLATT AD 2000 W2/W7/W10
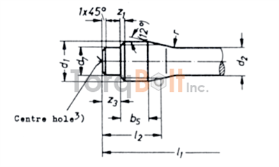
For use with bolts with reduced Shank
Dimensions in mm
| d1 thread size | d2 | d3 | d7 | b2 | b4 | b5 | z2 | z3 | z4 | width accross flats |
|---|---|---|---|---|---|---|---|---|---|---|
| M 12 | 8.5 | 8 | 8.5 | 13 | 23 | 10 | 4 | 4.5 | 6 | 7 |
| M 16 | 12 | 12 | 12 | 16 | 27 | 13.5 | 5 | 5 | 7 | 10 |
| M 20 | 15 | 14 | 15 | 20 | 33 | 16.5 | 6 | 7 | 9.5 | 11 |
| M 24 | 18 | 14 | 18 | 24 | 38 | 20 | 6 | 8 | 11 | 11 |
| M 27 | 20.5 | 18 | 21 | 27 | 43 | 22.5 | 6 | 8 | 11 | 13 |
| M 30 | 23 | 18 | 23 | 30 | 46 | 25 | 6 | 9.5 | 13 | 13 |
| M 33 | 25.5 | 25 | 26 | 33 | 51 | 27.5 | 9 | 9.5 | 13 | 22 |
| M 36 | 27.5 | 25 | 28 | 36 | 54 | 30 | 9 | 10.5 | 14.5 | 22 |
| M 39 | 30.5 | 28 | 31 | 39 | 57 | 32.5 | 10 | 10.5 | 14.5 | 24 |
| M 42 | 32.5 | 28 | 33 | 42 | 61 | 35 | 10 | 12 | 17 | 24 |
| M 45 | 35.5 | 32 | 36 | 45 | 64 | 37.5 | 11 | 12 | 17 | 27 |
| M 48 | 37.5 | 32 | 38 | 48 | 67 | 39.5 | 11 | 13 | 18.5 | 27 |
| M 52 | 41 | 36 | 42 | 52 | 72 | 43.5 | 12 | 13 | 18.5 | 30 |
| M 56 | 44 | 40 | 45 | 56 | 77 | 46.5 | 13 | 14.5 | 20.5 | 32 |
| M 64 | 51 | 42 | 52 | 64 | 88 | 53.5 | 14 | 15.5 | 19 | 36 |
| M 72x6 | 58.5 | 50 | 60 | 72 | 96 | 60.5 | 15 | 15.5 | 19 | 41 |
| M 80x6 | 666 | 50 | 68 | 80 | 104 | 67.5 | 15 | 15.5 | 19.5 | 41 |
| M 90x6 | 75 | 50 | 78 | 90 | 115 | 76.5 | 15 | 15.5 | 20 | 41 |
| M 100x6 | 84 | 50 | 88 | 100 | 125 | 85.5 | 15 | 15.5 | 20.5 | 41 |
| M 110x6 | 92.5 | 50 | 98 | 110 | 136 | 94.5 | 15 | 15.5 | 20.5 | 41 |
| M 120x6 | 102 | 50 | 108 | 120 | 147 | 10.3.5 | 15 | 15.5 | 21 | 41 |
| Product | Type | Size | Dimensional Specification | Grade |
|---|---|---|---|---|
| Stud | GP | M56 X150 | DIN 2510 | X6NiCrTiMoVB25-15-2 |

click heading to view
| Werkstoff Number | Name | Mark |
|---|---|---|
| 1.0501 | C 35 | Y |
| 1.0503 | C 45 | - |
| 1.0540 | C 50 | - |
| 1.0601 | C 60 | - |
| 1.1151 | C22E (Ck 22) | - |
| 1.1181 | C35E (Ck 35) | Yk |
| 1.1191 | C45E (Ck 45) | - |
| 1.1221 | C22E (Ck 22) | - |
| 1.6511 | 36CrNiMo4 | - |
| 1.6580 | 30CrNiMo8 | - |
| 1.6582 | 34CrNiMo6 | - |
| 1.7033 | 34Cr4 | - |
| 1.7035 | 41Cr4 | - |
| 1.7218 | 25CrMo4 | - |
| 1.7220 | 34CrMo4 | - |
| 1.7225 | 42CrMo4 | - |
| 1.7227 | 42CrMoS4 | - |
| 1.7228 | 50CrMo4 | - |
| Werkstoff | Short name | Character(Symbol) | AD-2000 | Specification | Equivalent | |
|---|---|---|---|---|---|---|
| -40 °C | 1.6582 | 34CrNiMo6 | - | - | DIN EN 10269 | - |
| - | 1.6580 | 30CrNiMo8 | - | - | DIN EN 10269 | - |
| - | - | - | - | - | - | - |
| -60°C | 1.7218 | 25CrMo4 | KG | W10 | DIN EN 10269 | ∼SAE 4130 |
| - | 1.7258 | 24CrMo5 | G | - | zurückgezogen | - |
| - | 1.7219 | 26CrMo4 | KA | - | zurückgezogen | - |
| - | - | - | - | - | - | - |
| -100°C | 1.7225 | 42CrMo4 | GC | - | DIN EN 10269 | ∼ASTM A320 L7 |
| - | - | - | - | - | - | - |
| -120°C | 1.5680 | X12Ni5 | KB | W10 | DIN EN 10269 | ∼SAE 2515 |
| - | - | - | - | - | - | - |
| -196°C | 1.4301 | X5CrNi18-10 | A2 | W10 | DIN EN 10269 | ∼AISI 304 |
| - | 1.4307 | X2CrNi18-9 | A2 | W10 | DIN EN 10269 | ∼AISI 304 L |
| - | 1.4401 | X5CrNiMo17-12-2 | A4 | W10 | DIN EN 10269 | ∼AISI 316 |
| - | 1.4404 | X2CrNiMo17-12-2 | A4 | W10 | DIN EN 10269 | ∼AISI 316 L |
| - | 1.4980 | X6NiCrTiMoVB25-15-2 | SD | - | DIN EN 10269 | ∼AISI 660 |
| - | 2.4952 | NiCr20TiAl | SB | - | DIN EN 10269 | ∼Alloy 80A |
| - | 2.4669 | NiCr15Fe7TiAl | - | - | DIN EN 10269 | ∼Alloy X-750 |
| - | - | - | - | - | - | - |
| -270°C | 1.4429 | X2CrNiMoN17-13-3 | - | W10 | DIN EN 10269 | ∼AISI 316 LN |
| - | 1.4910 | X3CrNiMoBN17-13-3 | - | W10 | DIN EN 10269 | - |
| Werkstoff | Short name | Character(Symbol) | AD-2000 | Specification | Equivalent | |
|---|---|---|---|---|---|---|
| 600°C | 1.4913 | X19CrMoNbVN11-1 | VW | - | DIN EN 10269 | - |
| 1.7711 | 40CrMoV4-6 | GB | - | DIN EN 10269 | - | |
| 500°C | 1.4923 | X22CrMoV12-1 | V / VH | W7 | DIN EN 10269 | - |
| 1.7225 | 42CrMo4 | GC | W7 | DIN EN 10269 | ∼ASTM A193 B7 | |
| 1.7709 | 21CrMoV5-7 | GA | W7 | DIN EN 10269 | - | |
| 400°C | 1.4404 | X2CrNiMo17-12-2 | A4 | W2 | DIN EN 10269 | ∼AISI 316 L |
| 1.4429 | X2CrNiMoN17-13-3 | - | W2 | DIN EN 10269 | ∼AISI 316 LN | |
| 1.4571 | X6CrNiMoTi17-12-2 | A5 | W2 | DIN EN 10088-3 | ∼AISI 316 Ti | |
| 1.4541 | X6CrNiTi18-10 | - | W2 | DIN EN 10088-3 | ∼AISI 321 | |
| 1.4539 | X1NiCrMoCuN25-20-5 | - | W2 | DIN EN 10088-3 | ∼AISI 904 L | |
| 1.7218 | 25CrMo4 | KG | W7 | DIN EN 10269 | ∼SAE 4130 | |
| 1.7258 | 24CrMo5 | G | - | zurückgezogen | - | |
| 1.7219 | 26CrMo4 | KA | - | zurückgezogen | - | |
| 1.5511 | 35B2 | YB | W7 | DIN EN 10269 | - | |
| 1.1181 | C35E | YK | W7 | DIN EN 10269 | - | |
| 350°C | 1.4548 | X5CrNi CuNb17-4-4 | - | - | WL 1.4548 Teil 2 | ∼AISI 630 / 17-4 PH |
| 1.4542 | X5CrNiCuNb16-4 | - | - | DIN EN 10088-3 | ∼AISI 630 / 17-4 PH | |
| 1.1191 | C45E | - | - | DIN EN 10269 | - | |
| 300°C | 1.4401 | X5CrNiMo17-12-2 | A4 | W2 | DIN EN 10269 | ∼AISI 316 |
| 1.4301 | X5CrNi18-10 | A2 | W2 | DIN EN 10269 | ∼AISI 304 |
| Werkstoff Number | Short name | Mark/ Brand Name |
|---|---|---|
| 1.4910 | X3CrNiMoN1713 | |
| 1.4913 | X19CrMoVNbN11-1 | VW |
| 1.4923 | X22CrMoV12 1 | V |
| 1.4948 | X6CrNi1811 | Avesta 18-8 |
| 1.4958 | X5NiCrAlTi31-20 | Incoloy 800 H |
| 1.4959 | X8NiCrAlTi32-21 | Incoloy 800 HT |
| 1.4961 | X8CrNiNb1613 | K |
| 1.4980 | X5NiCrTi2615 | SD |
| 1.4981 | X8CrNiMoNb1616 | O |
| 1.4986 | X8CrNiMoBNb1616 | S |
| 2.4952 | NiCr20TiAl | Nimonic 80A |
| 2.4669 | NiCr15Fe7TiAl | Inconel X-750 |
| 2.4633 | NiCr25FeAlY | Alloy 602 CA |
| (Nicrofer 6025 HT) | ||
| 2.4663 | NiCr23Co12Mo | Inconel 617 |
| 2.4668 | NiCr19NbMo | Inconel 718 |
| 2.4665 | NiCr19NbMo | Hastelloy X |
| Werkstoff Number | Short name | Brand Name |
|---|---|---|
| 1.3948 | X4CrNiMnMoN 19 13 8 | |
| 1.3952 | X2CrNiMoN 18 14 | |
| 1.3957 | X2CrNiMoNbN 21 15 | |
| 1.3964 | X2CrNiMnMoNNb21 16 5 3 | |
| 1.3974 | X3CrNiMoNbN 23 17 |
| Werkstoff Number | Short name | Brand Name |
|---|---|---|
| 1.4713 | X10CrAlSi7 | SICRO 8 |
| 1.4724 | X10CrAlSi13 | SICRO 9 |
| 1.4742 | X10CrAlSi18 | SICRO 10 |
| 1.4762 | X10CrAlSi25 | SICRO 12 |
| 1.4821 | X15CrNiSi25-4 | |
| 1.4828 | X15CrNiSi20-12 | AISI 309 |
| 1.4835 | X9CrNiSiNCe21-11-2 | 253 MA |
| 1.4841 | X15CrNiSi2521 | AISI 314 (310) |
| 1.4845 | X8CrNi25-21 | AISI 310S |
| 1.4864 | X12NiCrSi35-16 | AISI 330 |
| 1.4876 | X10NiCrAlTi32-21 | Incoloy 800 |
| 1.4876 H | X10NiCrAlTi3220 | Incoloy 800 H |
| 1.4876 HT | X8NiCrAlTi3221 | Incoloy 800 HT |
| 1.4878 | X8CrNiTi18-10 | |
| 2.4816 | NiCr15Fe | Inconel 600 |
| 2.4851 | NiCr23Fe | Inconel 601 |
| 2.4856 | NiCr22Mo9Nb | Inconel 625 |
| 2.4951 | NiCr20Ti | Nimonic 75 |
| Werkstoff Number | Short name | Mark/Brand Name |
|---|---|---|
| 1.4006 | X12Cr13 | |
| 1.4016 | X6Cr17 | |
| 1.4021 | X20Cr13 | AISI 420 |
| 1.4024 | X15Cr13 | |
| 1.4028 | X30Cr13 | |
| 1.4034 | X46Cr13 | |
| 1.4057 | X17CrNi16-2 | AISI 431 |
| 1.4104 | X14CrMoS17 | AISI 430F |
| 1.4112 | X90CrMoV18 | |
| 1.4122 | X35CrMo17-1 | |
| 1.4301 | X5CrNi18-10 | AISI 304 |
| 1.4305 | X8CrNiS18-9 | AISI 303 |
| 1.4306 | X2CrNi19-11 | AISI 304L |
| 1.4310 | X10CrNi18-8 | |
| 1.4313 | X3CrNiMo13-4 | |
| 1.4361 | X1CrNiSi18-15-4 | |
| 1.4362 | X2CrNiN23-4 | SAF 2304 |
| 1.4371 | X2CrMnNiN17-7-5 | |
| 1.4401 | X5CrNiMo17-12-2 | AISI 316 |
| 1.4404 | X2CrNiMo17-12-2 | AISI 316L |
| 1.4410 | X2CrNiMoN25-7-4 | SAF 2507 |
| 1.4418 | X4CrNiMo16-5-1 | |
| 1.4429 | X2CrNiMoN17-13-3 | AISI 316LN |
| 1.4435 | X2CrNiMo18-14-3 | AISI 316L |
| 1.4436 | X3CrNiMo17-13-3 | AISI 316 |
| 1.4438 | X2CrNiMo18-15-4 | AISI 317L |
| 1.4439 | X2CrNiMoN17-13-5 | AISI 317LNM |
| 1.4460 | X3CrNiMoN27-5-2 | AISI 329 |
| 1.4462 | X2CrNiMoN22-5-3 | SAF 2507 |
| 1.4501 | X2CrNiMoCuWN25-7-4 | Zeron 100 |
| 1.4507 | X2CrNiMoCuN25-7-4 | |
| 1.4529 | X1NiCrMoCuN25-20-7 | Alloy 926 |
| 1.4539 | X1NiCrMoCu25-20-5 | Uranus B6 |
| 1.4541 | X6CrNiTi18-10 | AISI 321 |
| 1.4542 | X5CrNiCuNb16-4 | 17-4PH |
| 1.4547 | X1CrNiMoCuN20-18-7 | 254SMO |
| 1.4550 | X6CrNiNb18-10 | AISI 347/348 |
| 1.4562 | X1NiCrMoCu32-28-7 | Alloy 31 |
| 1.4563 | X1NiCrMoCu31-27-4 | Sanicro 28 |
| 1.4571 | X6CrNiMoTi17-12-2 | AISI 316 Ti |
| 1.4578 | X3CrNiCuMo17-11-3-2 | |
| 1.4580 | X6CrNiMoNb17-12-2 | |
| 1.4586 | X5NiCrMoCuNb2218 |
| Werkstoff Number | Short name | Brand Name |
|---|---|---|
| 1.4362 | X2CrNiN23-4 | SAF 2304 |
| 1.4410 | X2CrNiMoN25-7-4 | SAF 2507 |
| 1.4460 | X3CrNiMoN27-5-2 | AISI 329 |
| 1.4462 | X2CrNiMoN22-5-3 | SAF 2507 |
| 1.4501 | X2CrNiMoCuWN25-7-4 | (Zeron 100) |
| Werkstoff Number | Short name | Brand Name |
|---|---|---|
| 2.4066 | Ni 99,2 | Nickel 200 |
| 2.4068 | LC-Ni 99 | Nickel 201 |
| 2.4360 | NiCu30Fe | Monel 400 |
| 2.4375 | NiCu30Al | MonelK 500 |
| 2.4600 | NiMo29Cr | Hastelloy B-3 |
| 2.4602 | NiCr21Mo14W | Hastelloy C-22 |
| 2.4603 | Hastelloy G-30 | |
| 2.4605 | NiCr23Mo16Al | Alloy 59 |
| 2.4606 | Inconel 686 | |
| 2.4610 | NiMo16Cr16Ti | Hastelloy C-4 |
| 2.4617 | NiMo28 | Hastelloy B-2 |
| 2.4619 | NiCr22Mo7Cu | Hastelloy G-3 |
| 2.4630 (2.4951) | NiCr20Ti | Nimonic 75 |
| 2.4631 (2.4952) | NiCr20TiAl | Nimonic 80A |
| 2.4632 (2.4969) | NiCr20Co18Ti | Nimonic 90 |
| 2.4633 | NiCr25FeAlY (Nicrofer6025 HT) | Alloy 602 CA |
| 2.4634 | NiCo20Cr15MoAlTi | Nimonic 105 |
| 2.4654 | NiCr19Co14Mo4Ti | Waspaloy |
| 2.4658 | NiCr7030 | Cronix70 |
| 2.466 | NiCr20CuMo | 20Cb3/Alloy 20 |
| 2.4663 | NiCr23Co12Mo | Inconel 617 |
| 2.4665 | NiCr19NbMo | Hastelloy X |
| 2.4668 | NiCr19NbMo | Inconel 718 |
| 2.4669 | NiCr15Fe7TiAl | Inconel X-750 |
| 2.4675 | NiCr23Mo16Cu | Hastelloy C-2000 |
| 2.4816 | NiCr15Fe | Inconel 600 |
| 2.4819 | NiMo16Cr15W | Hastelloy C-276 |
| 2.4851 | NiCr23Fe | Inconel 601 |
| 2.4856 | NiCr22Mo9Nb | Inconel 625 |
| 2.4858 | NiCr21Mo | Incoloy 825 |
| 2.4951 | NiCr20Ti | Nimonic 75 |
| 2.4952 | NiCr20TiAl | Nimonic 80A |
| 2.4969 | NiCr20Co18Ti | Nimonic 90 |
| Werkstoff Number | Short name | ASTM Werkstoff Number |
|---|---|---|
| 3.7035 | Titan | Titan Gr.2 |
| 3.7165 | TiAl6V4 | Titan Gr.5 |
| 3.7235 | Ti2Pd | Titan Gr.7 |
| Werkstoff Number | Brand Name | UNS Number |
|---|---|---|
| 1.4542 | 17-4PH | UNS S17400 |
| 1.4547 | 254 SMO | UNS S31254 |
| AerMet100 Alloy | UNS K92580 | |
| Ferralium 255 | ||
| 1.6772 | Monix 3 K | |
| 1.3964 | Nitronic50 | |
| Nitronic60 | UNS S21800 | |
| 1.4462 | SAF 2205 | UNS S31803 |
| 1.4362 | SAF 2304 | UNS S32304 |
| 1.441 | SAF 2507 | UNS S32750 |
| 1.4563 | SANICRO 28 | |
| Tantal | ||
| Uranus 50 | ||
| -1.4501 | Zeron 100 | UNS S32760 |
| Zirconium 702 | UNS R60702 | |
| Grade Identification | Specification | Products | Material | Comparative EN Werkstoff |
|---|---|---|---|---|
| No Grade Mark | SAE J429 Grade 1 | Bolts, Screws, Studs |
Low or Medium Carbon Steel | --- |
| ASTM A307 Grade A & B | Low Carbon Steel | --- | ||
| SAE J429 Grade 2 | Low or Medium Carbon Steel | --- | ||
| No Grade Mark | SAE J429 Grade 4 | Studs | Medium Carbon Cold Drawn Steel |
--- |
| B5 | ASTM A193 Grade B5 | Bolts, Screws, Studs for High Temperature Service Class 1: Carbide solution treated |
AISI 501 | ~1.7362 |
| B6 | ASTM A193 Grade B6 | AISI 410 | ~1.4006 | |
| B7 | ASTM A193 Grade B7 | AISI 4140, 4142, 4105 | ~1.7225 | |
| B16 | ASTM A193 Grade B16 | CrMoVa Alloy Steel | ~1.7711 | |
| B8 | ASTM A193 Grade B8 Class 1 | AISI 304 | ~1.4301 | |
| B8C | ASTM A193 Grade B8C Class 1 | AISI 347 | ~1.4550 | |
| B8M | ASTM A193 Grade B8M Class 1 | AISI 316 | ~1.4401 | |
| B8T | ASTM A193 Grade B8T Class 1 | AISI 321 | ~1.4541 | |
| B8 | ASTM A193 Grade B8 Class 2 | Bolts, Screws, Studs for High Temperature Service Class 2: Carbide solution treated and strain hardend |
AISI 304 Strain Hardend | ~1.4301 |
| B8C | ASTM A193 Grade B8C Class 2 | AISI 347 Strain Hardend | ~1.4550 | |
| B8M | ASTM A193 Grade B8M Class 2 | AISI 316 Strain Hardend | ~1.4401 | |
| B8T | ASTM A193 Grade B8T Class 2 | AISI 321 Strain Hardend | ~1.4541 | |
| L7 | ASTM A320 Grade L7 | Bolts, Screws, Studs for Low Temperature Service Quenched and Tempered |
AISI 4140, 4142, 4145 | ~1.7225 |
| L7A | ASTM A320 Grade L7A | AISI 4037 | --- | |
| L7B | ASTM A320 Grade L7B | AISI 4137 | ~1.7220 | |
| L7C | ASTM A320 Grade L7C | AISI 8740 | ~1.6546 | |
| L43 | ASTM A320 Grade L43 | AISI 4340 | ~1.6580 | |
| B8 | ASTM A320 Grade B8 Class 1 | Bolts, Screws, Studs for Low Temperature Service Class 1: Carbide solution treated |
AISI 304 | ~1.4301 |
| B8C | ASTM A320 Grade B8 Class 1 | AISI 347 | ~1.4550 | |
| B8T | ASTM A320 Grade B8 Class 1 | AISI 321 | ~1.4541 | |
| B8F | ASTM A320 Grade B8 Class 1 | AISI 303 (Se) | ~1.4305 | |
| B8M | ASTM A320 Grade B8 Class 1 | AISI 316 | ~1.4401 | |
| B8 | ASTM A320 Grade B8 Class 1 | Bolts, Screws, Studs for Low Temperature Service Class 2: Carbide solution treated and strain hardend |
AISI 304 | ~1.4301 |
| B8C | ASTM A320 Grade B8C Class 2 | AISI 347 | ~1.4550 | |
| B8T | ASTM A320 Grade B8T Class 2 | AISI 321 | ~1.4541 | |
| B8F | ASTM A320 Grade B8F Class 2 | AISI 303 (Se) | ~1.4305 | |
| B8M | ASTM A320 Grade B8M Class 2 | AISI 316 | ~1.4401 | |
| 3 Radial Lines 120° | SAE J429 Grade 5 | Bolts, Screws, Studs | Medium Carbon Steel Quenched and Tempered |
--- |
| ASTM A449 | --- | |||
| 3 Radial Lines 90° | SAE J429 Grade 5.1 | Bolts, Screws, Studs | Low or Medium Carbon Steel Quenched and Tempered |
--- |
| 3 Radial Lines 60° | SAE J429 Grade 5.2 | Bolts, Screws, Studs | Low Carbon Martensitic Steel Quenched and Tempered |
--- |
| A325 | ASTM A325 Type 1 | High Strength Structural Bolts | Medium Carbon Steel Quenched and Tempered |
--- |
| -- | ASTM A325 Type 2 (Withdrawn) |
Low Carbon Martensitic Steel Quenched and Tempered |
--- | |
| A325 | ASTM A325 Type 3 | Atmospheric Corrosion Resisting Steel Quenched and Tempered |
--- | |
| BD | ASTM A354 Grade BD | Bolts, Studs | Alloy Steel Quenched and Tempered |
--- |
| BC | ASTM A354 Grade BC | --- | ||
| 5 Radial Lines | SAE J429 Grade 7 | Bolts, Screws | Medium Carbon Alloy Steel Quenched and Tempered |
--- |
| 6 Radial Lines 60° | SAE J429 Grade 8 | Bolts, Screws, Studs | Medium Carbon Alloy Steel Quenched and Tempered |
--- |
| No Grade Mark | SAE J429 Grade 8.1 | Studs | Medium Carbon Alloy or SAE 1041 Modified Elevated Temperature Drawn Steel | --- |
| A490 | ASTM A490 | High Strength Structural Bolts | Alloy Steel Quenched and Tempered | ~1.0050 |
| A453/A453M | ASTM A453/A453M Grade 660 | Class A / Class B / Class C / Class D | --- | --- |
| ASTM A453/A453M Grade 651 | Class A / Class B | --- | --- | |
| ASTM A453/A453M Grade 662 | Class A / Class B | --- | --- | |
| ASTM A453/A453M Grade 665 | Class A / Class B | --- | --- | |
| ASTM A453/A453M Grade 668 | Class A / Class B | --- | --- |